Sortiment                                                  Hydraulika Havránek

Hydraulické válce -> Novotný -> díly

    Označení Rozměr Popis mj Cena
1334 přední víko (hlava)V.N.V - 40/70
1343 přední okoP.O.N. - 40
1342 přední okoP.O.N. - 35
1341 přední okoP.O.N. - 25
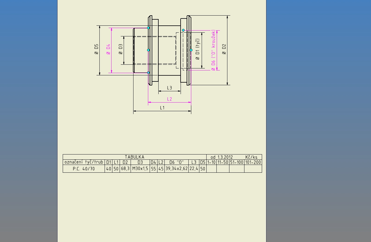
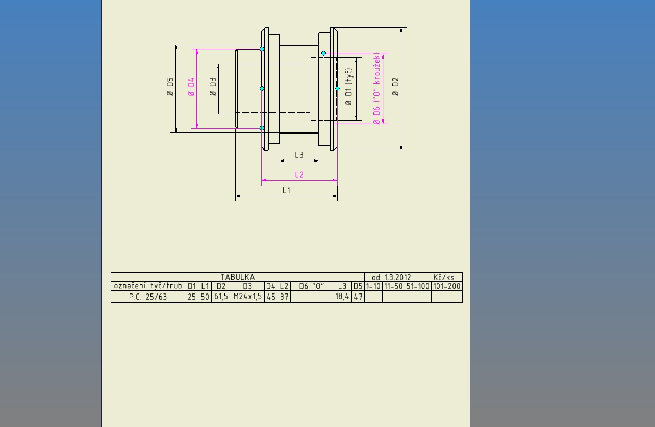
1340 píst P.C. - 25/63
1339 píst P.C. - 40/70
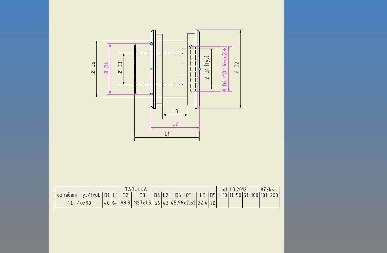
1338 píst P.C. - 40/90
1337 přední víko (hlava)V.A.V. - 40/63
1336 přední víko (hlava)V.A.V. - 36/70
1335 přední víko (hlava)V.A.V. - 36/63
1325 zadní oko válce (dno)Z.O.N. - 63celé bez závitu
1333 přední víko (hlava)V.A.V - 40/70
1332 zadní okoZ.O.O. - 62jen oko
1331 zadní okoZ.O.O. - 55jen oko
1330 zadní dnaZ.D. - 100jen dna
1329 zadní dnaZ.D. - 70jen dna
1328 zadní dnaZ.D. - 63jen dna
1327 zadní dnaZ.D. - 40jen dna
1393 zadní oko válce (dno)Z.O.N. - 70celé bez závitu
1326 zadní oko válce (dno)Z.O.N.Z. - 63celé se závitem






























































Martin Galajda
Mostek 125 544 75 Mostek IČ: 03967506 DIČ: CZ7507303617

telefon: 777121588 , 732375669      email: Hydraulika.MG@seznam.cz      http://www.hydraulika-havranek.cz